Litar Kawalan Dol
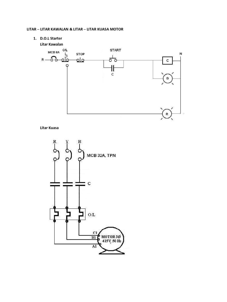
Pemula DOL menghubungkan pendawaian utama 3 fasa dengan motor aruhan iaitu L1 l2 dan L3 semasa suis permulaan ditekan. Contoh Litar penghidup secara terus ketalian Namun begitu kawalan motor ini mempunyai kelemahan seperti arus mulanya yang tinggi yang menganggu sistem bekalan.
Litar Kawalan Motor Elektrik Dol Atau Penghidup Talian Terus Nota Kejuruteraan Teknologi Elektrik Vokasional Politeknik Ikm Ilp Universiti
Secara amnya kerja pemula Direct Online boleh dilakukan.
. See reviews photos directions phone numbers and more for Salon Dol Ce Vita locations in Piscataway NJ. LITAR LITAR KAWALAN LITAR LITAR KUASA MOTOR 1. DOL PHOTO CELL PHOTO CELL CP.
About Press Copyright Contact us Creators Advertise Developers Terms Privacy Policy Safety How YouTube works Test new features Press Copyright Contact us Creators. Dalam litar ini penyentuh yang digunakan saling mempunyai kunci mekanik dan punat tekan hidup saling mempunyai kunci elektrik. JERSEY CITY March 18 2013 The Christie Administration announced today that up to 78 unemployed state residents can be hired by the Department of Environmental.
Salam hormat semua video ini merupakan operasi berkaitan dengan direct on line starter DOL satu fasa iaitu DOL merupakan salah satu litar kawalan bagi mo. DOL Starter Litar Kawalan Litar Kuasa 2. Litar Kawalan DOL Single Phase Satu Fasa Prinsip Kendalian DOL Single Phase Satu Fasa Kendalian DOL Satu fasa hampir sama dengan kendalian DOL tiga fasa.
DOL Forward Reverse Starter Litar Kawalan Litar Kuasa 3.
Litar Utama Dan Litar Kawalan Motor Elektrik
Litar Litar Kawalan Motor Pdf Components Magnetism
Litar Litar Kawalan Motor Pdf Components Magnetism

0 Response to "Litar Kawalan Dol"
Post a Comment